Moneypanther supply the total automation solution for you
Products
  • Al-M6
  • Your Current Location is:Home > Products  >  Profiles & Accessories  >  Profiles  >  Al-M6
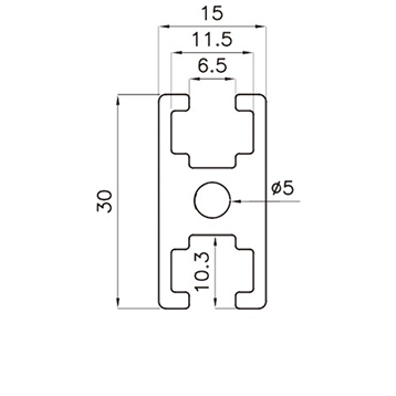
Profile 1530

Order NO:
QB- 6- 1530

Product Description:

Profile 1530 is used for industrial door frames and window frames.

 

Material : Alumi num ( 6063- T5 )
Weight: 0.70kg/m
Length : 6m
Mass of iner tia:
Ix: 1.47cm4
Iy: 0.70cm4
Section Modulus :
Zx : 0.98cm3
Zy : 0.93cm3

| Next
Upload: +Add File
Subject:   * Your Name:   *
TelPhone:   * Email:   *
Message:   *
 
Online Chat
Profile consulting/purchasing
Automation System purchasing
Complains us
Suggestions on line
Q&A
Our industry
Our philosophy
Our technical standards
Seminar
Technology
Cost
Personnel
Guestbook