New Energy
New Materials
Environmental Protection Equipment
Follow Us
English
简体中文
Home
About Us
About
Our Times
Organization
Honors
Culture
Customers
News
Press Center
Industry News
Internal Post
Electronic Journal
Products
Profiles & Accessories
Application Modules
Automation Systems
Industrial Usage
Services
Service concept
Q & A
Guestbook
Talents Center
Talents Philosophy
Join Us
Growth path
Contact Us
Contact
Download
Linked In
Moneypanther supply the total automation solution for you
Products
Profiles & Accessories
Profiles
Al-M6
Al-M8
Al-M10
Al-M0(Others)
Accessories
Steel /Stainless steel
Die casting
Plastic parts
Other materials
Joint Bolt for Profile 2…
Spring Fastener for Prof…
Spring Fastener for Prof…
Joint Bolt for Profile 1…
Butt Joint
New Butt Joint
Interior Brackrt
Connector Link
Angle Bracket
45.Profiele Bracket
135. Profiele Bracket
Bracket
Hammer - head
Half Round Nut
Sliding Nut
Flange Nut
T-Bolt
End Cap
Cover Strip
U-Strip
Hinge
Metal Hinge
Handle
Magmetic Lock
Clamp Block
Grid fixtures
View all
Application Modules
Operating Platform
Fences
Balance Arm
Automation Systems
Press Mounting System
Twisting System
Angle Testing
Leak Testing
Vision System
Robot System
Marking System
Packaging System
Displacement System
Industrial Usage
Al-M8
Your Current Location is:
Home
>
Products
> Profiles & Accessories > Profiles > Al-M8
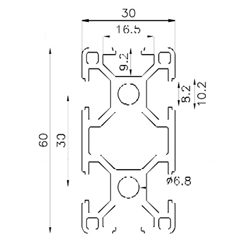
Profile 3060
Order NO:
QB-8-3060
Product Description:
Material : Alumi num ( 6063- T5 )
Weight: 1.75kg/m
Length : 6m
Mass of iner tia:
Ix:19.80cm4
Iy: 5.15cm4
Section Modulus :
Zx : 6.60cm3
Zy : 3.30cm3
Previous
|
Next
Upload:
+
Add File
Subject:
*
Your Name:
*
TelPhone:
*
Email:
*
Message:
*
Online Chat
Profile consulting/purchasing
Automation System purchasing
Complains us
Suggestions on line
Q&A
Our industry
Our philosophy
Our technical standards
Seminar
Technology
Cost
Personnel
Guestbook